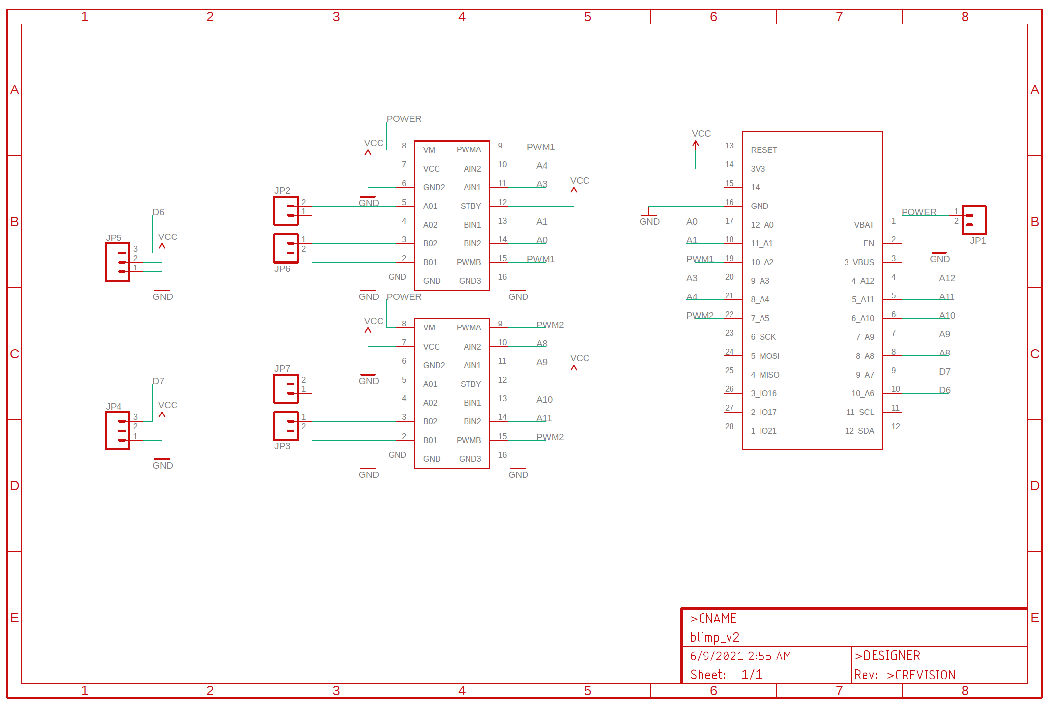
Finished the version 2 blimp PCB design. This new design can now output 4 motors and 2 servo motors:
schematics:

board layout:

Finished the version 2 blimp PCB design. This new design can now output 4 motors and 2 servo motors:
schematics:

board layout:
